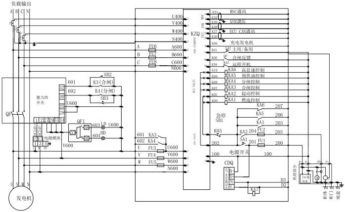
英山監獄1000KW柴油發電機組并機柜主要元件圖紙
今年英山監獄向我公司購買了1000KW柴油發電機組并機柜。今天柴油發電機廠家頂博電力給大家分享1000KW柴油發電機組并機柜的主要元件及圖紙,希望給大家帶來幫助。
工程名稱:英山監獄并機柜(發電機1000KW*2臺)主要元件明細清單 | |||||
主開關柜 | |||||
序號 | 名稱 | 型號規格 | 單位 | 數量 | 廠家 |
1 | 萬能式框架斷路器 | CDW3-2000N/3P 2000A | 臺 | 2 | 德力西 |
2 | 發電機組控制器 | DSE8610MKII | 只 | 2 | 深海 |
3 | 直流電源模塊 | DC24V | 只 | 2 | 眾智 |
4 | 小型中間繼電器 | HH54P DC24V | 只 | 12 | 正泰 |
5 | 小型中間繼電器 | HH54P AC220V | 只 | 2 | 正泰 |
6 | 電流表 | 42L6-A,2000/5 | 只 | 6 | 正泰 |
7 | 功率表 | 42L6-KW 2000/5A 380V | 只 | 2 | 正泰 |
8 | 功率因數表 | 42L6-COSφ 380V 5A 三相 | 只 | 2 | 正泰 |
9 | 頻率表 | 42L6-HZ 45-55HZ/380V | 只 | 2 | 正泰 |
10 | 電壓表 | 42L2-V 0~450V | 只 | 2 | 正泰 |
11 | 電壓換相開關 | LW5-16YH2/2 | 只 | 2 | 正泰 |
12 | 熔斷器 | RT18-32/6A | 套 | 10 | 正泰 |
13 | 信號燈 | AD56-22DS/Y,G,R,~220V,黃2,紅2,綠2 | 只 | 6 | 國優 |
14 | 按鈕 | LAY50-22D-11,1開1閉,紅,綠各2 | 只 | 4 | 國優 |
15 | 急停接鈕 | LA37-11MZS紅 | 只 | 2 | 國優 |
16 | 旋鈕 | LA37-11X/2黑 | 只 | 2 | 國優 |
17 | 主銅排 | TMY-60*8 | 米 | 48 | 國優 |
18 | 主銅排 | TMY-50*5 | 米 | 18 | 國優 |
19 | 零排 | TMY-60*8 | 米 | 1.6 | 國優 |
20 | 接地銅排 | TMY-50*5 | 米 | 1.6 | 國優 |
21 | 絕緣子 | 圓形,紅色,M10 | 只 | 72 | 海坦 |
22 | 輔材 | 臺 | 2 | 國優 | |
英山監獄柴油發電機并機柜圖紙

柴油發電機并機柜主要用于兩臺或多臺柴油發電機組的并聯運行。柴油發電機并機柜有主電源故障自啟動、自動同步并聯、自動配電負載、根據負載單元自動增加或減少、主電源恢復自動解列、自動冷卻停機、自動監控柴油發電機組功率參數、柴油發電機組故障顯示和保護等功能;能有效監測和保護并聯運行的柴油發電機組;
當柴油發電機組用作主電源時,發電機組并機柜可以可靠地保證配電系統的正常運行;根據配電系統的負荷可以增加或減少單元數量,從而實現節能的節能效果;
當柴油發電機組運行到維修時間,故障單元需要維修時,機柜可根據維修單元的需要旋轉;從而確保配電系統的正常運行。當柴油發電機組用作備用電源時,柴油發電機并機柜可以自動斷電自動啟動柴油發電機組,自動關閉并自動啟動其他機組同步運行、自動分配負載、自動根據負載增加或減少單位、主電源恢復自動取消、自動冷卻停機,有效可靠地保證配電系統的正常運行。
柴油發電機并機柜主要用于建筑工地、房地產、銀行、醫院、購物中心、工業礦、酒店、數據中心和其他領域。柴油發電機廠家廣西頂博電力主營:康明斯發電機組、玉柴發電機組、沃爾沃發電機組、帕金斯發電機組、上柴發電機組、無動柴油發電機組、濰柴發電機組、德國奔馳發電機組、道依茨發電機組、濰柴發電機組、濟柴發電機組。產品出口東南亞、非洲、中東等地。熱線:13667715899 http://m.tjxygj.com/
報價:13667715899
上一篇:
柴油發電機組運行過程中的五大注意事項下一篇:
柴油發電機組低負荷運行的五大危害
推薦文章
- 選購發電機組,請認準頂博,備用電源的“終極方案”! 2025-10-24
- 發電機組也支持遠程遙控?智能時代的產品就是強! 2025-10-23
- 頂博智能發電機組:讓電力管理邁入"云時代"的智慧之選 2025-10-22
- 選購發電機組,就選頂博智能發電機組!為什么?就因為它夠智能 2025-10-22
- 預算有限怎么選智能柴油發電機組?頂博這三款超高性價比機組最適合你 2025-10-21
- 買發電機追求智能化?頂博這三款柴油發電機組性價比超高! 2025-10-20
- 為生命保駕護航:頂博智能發電機組,醫院備用電源系統的優選解決方案 2025-10-18
- 醫院斷電危機?就選頂博智能發電機組,10秒守護生命安全! 2025-10-18
- 智能發電機組在小區物業的應用:停電零延遲切換保安全 2025-10-17
- 邁向“主動智能”:頂博智能發電機組,“一屏掌控”全局,重新定義工地備用電源新標準 2025-10-16





桂公網安備45010702002247