柴油發電機冷卻水溫異常危害及冷卻系統結構分類(圖文)
在柴油發電機組工作情況下,摩擦及高溫燃氣的熱會使零部件的溫度升高。如不采取相應的冷卻措施,零部件的溫度會過高,不利于機組正常運行。所以發電機組要配置冷卻系統保持機組良好的工作狀態及延長機組壽命。
一、柴油機過熱或過冷的危害
受熱零件的機械強度和剛度會顯著降低,相互間的正常配合間隙會被破壞。潤滑油也會因溫度升高而變稀,失去應有的潤滑作用,加劇零件的磨損和變形,嚴重時配合件可能會卡死或損壞。
另外柴油機過熱,會導致充氣系數降低,燃燒不正常,功率下降,耗油量增加等。
如柴油機溫度過低,則混合氣形成不良,造成工作粗暴、功率下、油耗增加、散熱損失大、機油黏度大、零件磨損加劇等導致內燃機使用壽命縮短。
二、柴油機冷卻水溫度多少合適
實踐表明,柴油機過熱或過冷都會給發動機帶來危害,其冷卻水溫為40~50℃條件下使用時其零件磨損要比正常溫度下運轉時大好幾倍。因此柴油機也不應冷卻過度,需要確保內燃機冷卻系統在適宜的溫度范圍內使用。水冷式內燃機缸壁中適宜溫度為80~90℃,風冷式內燃機缸壁適宜溫度為160~200℃。
三、柴油發電機冷卻系統構造及分類
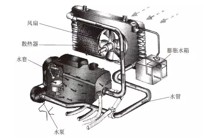
發動機冷卻系統的組成:氣缸水套、 水箱、 水泵、 節溫器、 電子扇、 軟管、水溫傳感器等。根據冷卻介質的不同,冷卻系統可分為水冷式和風冷式兩種。
1.水冷式冷卻系統
水冷卻系統一般是由膨脹水箱、散熱器、水泵、風扇、水套和溫度調節裝置等組成。其作用是將內燃機受零件的熱量傳遞出去。根據冷卻水在內燃機中循環模式不同,分為強制循環冷卻和自然循環冷卻兩種。

2.風冷式冷卻系統
風冷卻系統中冷卻介質是空氣,利用氣流使散熱片的熱量散到大氣中。其主要由風扇、導流罩、散熱片、氣缸導流罩和分流板組成。

以上關于“柴油發電機冷卻水溫異常危害及冷卻系統結構分類”介紹由發電機廠家頂博電力為您分享,希望對大家有幫助。廣西頂博電力十余年來致力于柴油發電機生產銷售,并與眾多國內外知名品牌柴油機達成合作,正規授權,廠家直銷,值得信賴!歡迎蒞臨本廠參觀考察!
報價:13667715899
推薦文章
- 頂博「定制化服務」有多強?從微型發電機到大型發電機組都能做 2025-11-07
- 頂博柴油發電機組:涵蓋微型發電機到大型發電機組,“零閃變”穩壓輸出,全場景能效覆蓋 2025-11-07
- 頂博發電機組:從沙漠到礦場的全地形電力保障 2025-11-06
- 一機多用:頂博發電機組兼容多場景,實現一機適應不同場合使用! 2025-11-04
- 全場景供電無憂!頂博發電機組類型全,穩定省油又省人工,速來! 2025-11-04
- 近20年技術沉淀:選擇頂博,不僅是選產品更是選擇全生命周期服務! 2025-11-03
- 頂博發電機組全覆蓋:從醫院到野外施工,頂博發電機組成為各行業首選備用電源設備! 2025-10-31
- 家用/工業全搞定!全球大牌發電機組任選,3分鐘匹配你的用電方案! 2025-10-31
- 價格與價值的抉擇:為什么說頂博發電機組是性價比最優選? 2025-10-30
- 醫院重癥監護的“生命線”:頂博智能發電機組自動切換保障24小時穩定供電 2025-10-28






桂公網安備45010702002247