1800KW柴油發電機組輸出柜配置清單及線路圖
啟動柜是指電動機的起動,柴油發電機組這個發電設備對普通中國人來說不陌生了,但是相信了解的人也不多,都知道柴油發電機是用來發電的。其實,在一個城市里有許多發電機就在我們的身邊,例如我們住宅里的電梯吧,如安防系統, 電梯,信息儲備,消防安全等,這些都是與大家的生活息息相關的!今天柴油發電機廠家頂博電力給大家介紹柴油發是機組啟動柜材料及其圖紙。
1800KW柴油發電機組配電柜材料報價明細清單 | |||||
主開關柜 | |||||
序號 | 名稱 | 型號規格 | 單位 | 數量 | 廠家 |
1 | 柜體 | GGD 1000*800*2200(寬*深*高) | 臺 | 1 | 定制 |
2 | 萬能式框架斷路器 | MVS 32H 3F202+相間隔板+瞬動失壓線圈 MN-AC200-250V | 臺 | 1 | 施奈德 |
3 | 電流互感器 | BH-0.66Ⅱ 3000/5 Φ120 0.5級 1匝 | 只 | 3 | 正泰 |
4 | 發電機組控制器 | HGM6110N | 只 | 1 | 眾智 |
5 | 直流電源模塊 | BAC06A AC220V/DC24V | 只 | 1 | 眾智 |
6 | 小型中間繼電器 | NXJ24V-4Z1 D | 只 | 4 | 正泰 |
7 | 小型中間繼電器 | NXJ-A220V-4Z1 D | 只 | 1 | 正泰 |
8 | 電流表 | 42L6-A,3000/5 | 只 | 3 | 正泰 |
9 | 功率表 | 42L6-KW 3000/5A 380V | 只 | 1 | 正泰 |
10 | 功率因數表 | 42L6-COSφ 380V 5A三相 | 只 | 1 | 正泰 |
11 | 頻率表 | 42L6-HZ 45-55HZ/380V | 只 | 1 | 正泰 |
12 | 電壓表 | 42L2-V 0~450V | 只 | 1 | 正泰 |
13 | 電壓換相開關 | LW5-16YH2/2 | 只 | 1 | 正泰 |
14 | 熔斷器 | RT14-20/ 6A | 套 | 5 | 正泰 |
15 | 信號燈 | AD56-22DS/Y,G,R,~220V,黃1,紅1,綠1 | 只 | 3 | 國優 |
16 | 按鈕 | LAY50-22D-11,1開1閉,紅,綠各1 | 只 | 2 | 國優 |
17 | 急停接鈕 | 紅色 | 只 | 1 | 國優 |
18 | 旋鈕 | 黑色 三擋 | 只 | 1 | 國優 |
19 | 主銅排 | TMY-120*10 | 米 | 18 | 國優 |
20 | 主銅排 | TMY-100*10 | 米 | 10 | 國優 |
21 | 零排 | TMY-120*10 | 米 | 0.8 | 國優 |
22 | 接地銅排 | TMY-100*10 | 米 | 0.8 | 國優 |
23 | 絕緣子 | 圓形,紅色,>M10 | 只 | 36 | 海坦 |
24 | 配電柜安裝人工 | 臺 | 1 | ||
25 | 輔材 | 臺 | 1 | ||
26 | 運費 | 臺 | 1 | ||
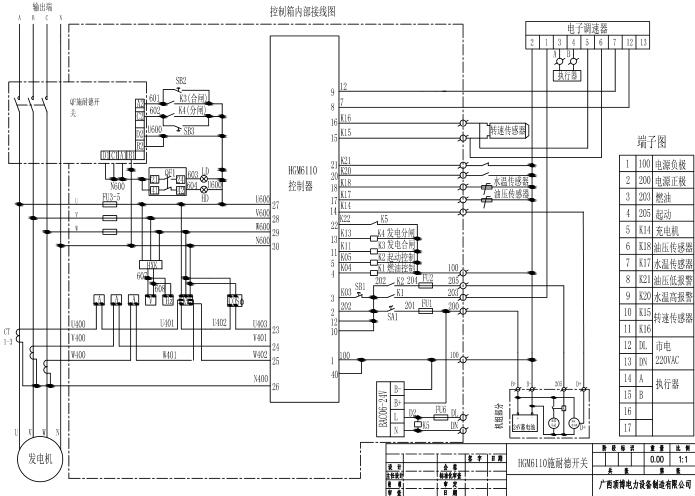
1800KW柴油發電機組啟動柜配置圖紙
以上信息來由廣西發電機組廠家頂博電力(http://m.tjxygj.com)收集整理, 我公司主營產品有康明斯發電機組、玉柴發電機組、沃爾沃發電機組、帕金斯發電機組、上柴發電機組等,可根據客戶需要提供自啟動、并機及微機監控等配套設備,靜音及移動拖車,我公司的柴油發電機組出口東南亞、非洲、中東等地。熱線:13667715899
推薦文章
- 預算有限怎么選智能柴油發電機組?頂博這三款超高性價比機組最適合你 2025-10-21
- 買發電機追求智能化?頂博這三款柴油發電機組性價比超高! 2025-10-20
- 為生命保駕護航:頂博智能發電機組,醫院備用電源系統的優選解決方案 2025-10-18
- 醫院斷電危機?就選頂博智能發電機組,10秒守護生命安全! 2025-10-18
- 智能發電機組在小區物業的應用:停電零延遲切換保安全 2025-10-17
- 邁向“主動智能”:頂博智能發電機組,“一屏掌控”全局,重新定義工地備用電源新標準 2025-10-16
- 工地備用電源新選擇——頂博智能發電機組, 工地的電力心臟,讓施工更省心 2025-10-16
- 頂博智能發電機組——智能掌控,手機App實時監控,秒級響應! 2025-10-15
- 戶外作業、演出必備:如何選擇一臺可靠的應急電源——柴油發電機組? 2025-10-14
- 發電機也上云?頂博這款發電機組可實現遠程三遙,手機App遠程操控 2025-10-13





桂公網安備45010702002247